- Prekės aprašymas
 - 
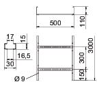
            Prekės aprašymasKabelių kopėčios perforuota išilgine sija, kurių šonų aukštis yra 110 mm, su prikniedytais, į viršų atvirais C profilio skersiniais.
Magnetinio lauko slopinimas dėl ekranuojančio poveikio, be dangtelio – 10 dB, su dangteliu – 15 dB.
Kabelių kopėčios iš gamyklos tiekiamos sulankstytos.
Tinkamą BS-H... tipo apkabos gnybtą rasite kopėčių sistemų skyriuje.
 - 
                
 - Techniniai duomenys
 - 
        
Techniniai duomenys
Atramos storis 1,5 mm Atstumas tarp atramų 2,0 m 3,1 kN/m Atstumas tarp atramų 2,5 m 2 kN/m Atstumas tarp atramų 3,0 m 1,4 kN/m Atstumas tarp atramų 3,5 m 0,9 kN/m Atstumas tarp atramų 4,0 m 0,65 kN/m Atstumas tarp atramų 4,5 m 0,55 kN/m Atstumas tarp atramų 5,0 m 0,5 kN/m Atstumas tarp atramų 6,0 m 0,15 kN/m Atstumas tarp skersinių 300 mm Aukštis 110 mm CO2₂ pėdsakas (GWP) nuo lopšio iki vartų 10,7471 kg CO2e / 1 Metras Dydis 110x500x3000 Ilgis 3000 mm Matmenys 110x500x3000 Matmuo B 500 mm Medžiaga Plienas Naudingasis skerspjūvis 47500 mm² Naudingasis skerspjūvis 475 cm² Nerūdijantis plienas, beicuotas ne Opprettholdelse av funksjon ne Paviršius cinkuotas juostiniu būdu Plotis 500 mm Skersinio griovelio matmuo 16,50 Skersinio tvirtinimas užkniedytas Skersinių konstrukcija Profilis, perforuotas Šoninės užmovos konstrukcija plokščias profilis Šonų perforavimas taip Spalva cinko Sutvirtinta konstrukcija ne Techniniai duomenys
LG 110 VS tipo kabelių kopėčių apkrovos diagrama
                                    - 
                                                                                                    
                                                    Leistinoji kabelių lovelio/kopėčių apkrova kN/m be žmogaus svorio
                                                                                             - 
                                                                                                    
                                                    Atstumas tarp atramų m
                                                                                             - 
                                                                                                    
                                                    Išlinkimas mm, esant ledžiamai apkrovai kN/m
                                                                                             - 
                                                                                                    
                                                    Apkrovos schema bandymų metu
                                                                                             - 
                                                                                                    
                                                    Apkrovos charakteristika su pateiktais kabelių lovelių/kopėčių pločiais mm
                                                                                             - 
                                                                                                    
                                                    Išlinkimo kreivė, priklausomai nuo atstumo tarp atramų
                                                                                             
 - 
                                                                                                    
 - Visi tipai
 - 
        
Visi tipai
 - Atsisiuntimai
 - 
        Duomenų lapas LG 115 VS 3 FS / 6216413 , 0.25MB , pdfKatalogas Cable support systems , 54.52MB , pdfES atitikties deklaracija LG 115 VS 3 FS / 6216413 , 0.12MB , pdfUK Atitikties Deklaracija LG 115 VS 3 FS / 6216413 , 0.09MB , pdfREACH Atitikties deklaracija LG 115 VS 3 FS / 6216413 , 0.12MB , pdfRoHS Atitikties deklaracija LG 115 VS 3 FS / 6216413 , 0.12MB , pdfGaminio aplinkosaugos deklaracija (EPD) LG 115 VS 3 FS / 6216413 , 1.48MB , pdfMontavimo instrukcija Kabelinių kopėčių sistemų montavimo instrukcija , 6.45MB , pdfMontavimo instrukcija General information on the mounting , 2.65MB , pdf
 
								
	
		
			
			
				
					Lietuva - Lietuvių Kalba
				
			
			
	
			
		
	
							
							
            
            
            
            
                    
                    
                
                
                
                
                
                
                            Tiesi jungtis FS
                        
                            Daugiafunkcė jungtis FS
                        
                            Dangtis su pasukamu užraktu FS
                        
                            Pertvara 85 FS
                        
                            Apsauginis gaubtelis
                        
                            Fiksatorius pertvarai tvirtinti A2