Vienguba apkaba, W formos kojelė, su plastikine prispaudimo plokštele, Al

Art. Nr. 1187902 | EAN 4012196854998

Prekės aprašymas
Prekės aprašymas
Apkaba, W formos kojelė, su plastikine prispaudimo plokštele iš polipropileno. Vertikaliam ir horizontaliam 1 atskiro kabelio prie plokščiojo plieno montavimui prie plieno kampuočių iki < 40 mm. Su vienaeigiu varžtu prie pirspaudimo plokštelės, universali šešiakampė varžto galvutė SW10, su grioveliu ir kryžminiu grioveliu. Tinka montuoti viduje ir lauke. Rekomenduojame naudoti kontraplokštelę.


  • Be halogenų; be chloro, fluoro ir bromo
  • EB atitikties deklaracija pagal EB direktyvas
  • Plieninis kampuotis
  • U formos apkaba kampiniam profiliui, kurio šonų ilgis 40 mm
  • CO₂ pėdsakas (PCF)
  • Pakuotė be plastiko
  • Packaging made entirely from recycled cardboard
Techniniai duomenys

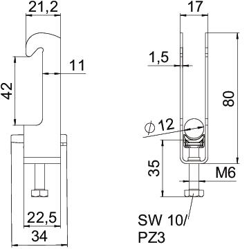
Matmenys

Aukštis 80 mm
Be halogenų taip
CO2₂ pėdsakas (GWP) nuo lopšio iki vartų 0,2553 kg CO2e / 1 Vienetas
Dydis 08-12mm
Ilgis 22,5 mm
Išorės ilgio matmuo 34 mm
Kabelių / vamzdžių skaičius 1
Maks. įtempimo zona D 12 mm
Maks. Sukimo momentas 3 Nm
Matmuo A 22,5 mm
Matmuo B 17 mm
Matmuo C 34 mm
Matmuo G (mm) M6
Matmuo H 80 mm
Matmuo L 35 mm
Matmuo t 1,5 mm
Medžiaga Aliuminis
Min. įtempimo zona D 8 mm
Montavimo būdas Kampinis profilis
Papildoma medžiaga Aliuminis
Papildomas paviršius neapdorota
Plotis 17 mm
plyšiui 10 mm
Skardos storis 1,5 mm
skirta maks. vamzdžio skersmeniui 12 mm
skirta min. vamzdžio skersmeniui 8 mm
Sriegis M6
Su plastikine vonele taip
Su skaitikliu ne
Tvirtinimo plokštelės medžiaga Plastikas
Tvirtinimo plokštelės medžiagos kokybė Polipropilenas
Visi tipai

Visi tipai

Tipas Min. įtempimo zona D Maks. įtempimo zona D Maks. Sukimo momentas Art. Nr. Kiekis mažiausias parduodamas kiekis
BS-W1-K-12 ALU 8 mm 12 mm 3 Nm 1187902
100 Vienetas
BS-W1-K-16 ALU 12 mm 16 mm 3 Nm 1187908
100 Vienetas
BS-W1-K-22 ALU 16 mm 22 mm 2 Nm 1187914
50 Vienetas
BS-W1-K-28 ALU 22 mm 28 mm 2 Nm 1187920
50 Vienetas
BS-W1-K-34 ALU 28 mm 34 mm 2 Nm 1187926
50 Vienetas
BS-W1-K-40 ALU 34 mm 40 mm 2 Nm 1187932
50 Vienetas
BS-W1-K-46 ALU 40 mm 46 mm 2 Nm 1187938
50 Vienetas
BS-W1-K-52 ALU 46 mm 52 mm 2 Nm 1187944
50 Vienetas
BS-W1-K-58 ALU 52 mm 58 mm 2 Nm 1187950
50 Vienetas
BS-W1-K-64 ALU 58 mm 64 mm 2 Nm 1187956
50 Vienetas
Atsisiuntimai

Atsisiųsti

BS-W1-K-12 ALU / 1187902
Atsisiųsti