Vienguba apkaba, U formos kojelė, su plastikine prispaudimo plokštele FT

Art. Nr. 1186716 | EAN 4012196850839

Prekės aprašymas
Prekės aprašymas
Apkaba, U formos kojelė, su plastikine prispaudimo plokštele iš polipropileno. Vertikaliam ir horizontaliam 1 vieno kabelio montavimui ant C profilio bėgelio. Kai įpjovos plotis 16 - 17 mm. Su vienaeigiu varžtu prie pirspaudimo plokštelės, universali šešiakampė varžto galvutė SW10, su grioveliu ir kryžminiu grioveliu. Tinka montuoti viduje ir lauke. Rekomenduojame naudoti kontraplokštelę.


  • Elektrotechnikos, elektronikos ir informacinės technikos sąjunga, Vokietija
  • Be halogenų; be chloro, fluoro ir bromo
  • EB atitikties deklaracija pagal EB direktyvas
  • UKCA atitikties deklaracija
  • Įpjovos plotis – 18 mm
  • Įpjovos plotis – 22 mm
  • U formos apkaba C formos profiliniam bėgeliui, kurio įpjovos plotis 18–22 mm
  • CO₂ pėdsakas (PCF)
  • Pakuotė be plastiko
  • Packaging made entirely from recycled cardboard
Techniniai duomenys

Matmenys

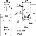
Aukštis 51 mm
Be halogenų taip
CO2₂ pėdsakas (GWP) nuo lopšio iki vartų 0,0917 kg CO2e / 1 Vienetas
Dydis 16-22mm
Ilgis 22,5 mm
Išorės ilgio matmuo 34 mm
Kabelių / vamzdžių skaičius 1
Maks. įtempimo zona D 22 mm
Maks. Sukimo momentas 3 Nm
Matmuo A 22,5 mm
Matmuo B 27 mm
Matmuo C 34 mm
Matmuo G (mm) M6
Matmuo H 51 mm
Matmuo L 35 mm
Matmuo t 1,5 mm
Medžiaga Plienas
Min. įtempimo zona D 16 mm
Montavimo būdas Profiliniai bėgeliai
Papildoma medžiaga Plienas
Papildomas paviršius karštai cinkuotas
Paviršius karštai cinkuotas
Plotis 27 mm
plyšiui 10 mm
Skardos storis 1,5 mm
skirta bėgeliui, kurio maks. įpjovos plotis (su intervalu) 22 mm
skirta bėgeliui, kurio min. įpjovos plotis (su intervalu) 18 mm
skirta maks. vamzdžio skersmeniui 22 mm
skirta min. vamzdžio skersmeniui 16 mm
Sriegis M6
Su plastikine vonele taip
Su skaitikliu ne
Tvirtinimo plokštelės medžiaga Plastikas
Tvirtinimo plokštelės medžiagos kokybė Polipropilenas
Visi tipai

Visi tipai

Tipas Min. įtempimo zona D Maks. įtempimo zona D Maks. Sukimo momentas Art. Nr. Kiekis mažiausias parduodamas kiekis
BS-U1-K-12 FT 8 mm 12 mm 3 Nm 1186702
100 Vienetas
BS-U1-K-16 FT 12 mm 16 mm 3 Nm 1186709
100 Vienetas
BS-U1-K-22 FT 16 mm 22 mm 3 Nm 1186716
100 Vienetas
BS-U1-K-28 FT 22 mm 28 mm 3 Nm 1186722
100 Vienetas
BS-U1-K-34 FT 28 mm 34 mm 3 Nm 1186729
100 Vienetas
BS-U1-K-40 FT 34 mm 40 mm 3 Nm 1186736
100 Vienetas
BS-U1-K-46 FT 40 mm 46 mm 5 Nm 1186742
100 Vienetas
BS-U1-K-52 FT 46 mm 52 mm 5 Nm 1186749
100 Vienetas
BS-U1-K-58 FT 52 mm 58 mm 5 Nm 1186756
100 Vienetas
BS-U1-K-64 FT 58 mm 64 mm 5 Nm 1186762
100 Vienetas
BS-U1-K-70 FT 64 mm 70 mm 5 Nm 1186769
50 Vienetas
BS-U1-K-76 FT 70 mm 76 mm 5 Nm 1186776
25 Vienetas
BS-U1-K-82 FT 76 mm 82 mm 5 Nm 1186782
25 Vienetas
BS-U1-K-90 FT 82 mm 90 mm 5 Nm 1186789
25 Vienetas
BS-U1-K-100 FT 90 mm 100 mm 5 Nm 1186797
25 Vienetas
Atsisiuntimai

Atsisiųsti

Atsisiųsti

Atsisiųsti

BS-U1-K-22 FT / 1186716
Atsisiųsti