Vienguba apkaba, N formos kojelė, su plastikine prispaudimo plokštele FT

Art. Nr. 1187214 | EAN 4012196852789

Prekės aprašymas
Prekės aprašymas
Apkaba, N formos kojelė, su plastikine prispaudimo plokštele iš polipropileno. Vertikaliam ir horizontaliam 1 vieno kabelio montavimui ant C profilio bėgelio. Skirta 11 - 12 mm tarpo pločiui. Su vienaeigiu varžtu prie pirspaudimo plokštelės, universali šešiakampė varžto galvutė SW10, su grioveliu ir kryžminiu grioveliu. Tinka montuoti viduje ir lauke. Rekomenduojame naudoti kontraplokštelę.
  • Elektrotechnikos, elektronikos ir informacinės technikos sąjunga, Vokietija
  • Be halogenų; be chloro, fluoro ir bromo
  • EB atitikties deklaracija pagal EB direktyvas
  • UKCA atitikties deklaracija
  • Įpjovos plotis – 11–12 mm
  • U formos apkaba C formos profiliniam bėgeliui, kurio įpjovos plotis 11–12 mm
  • CO₂ pėdsakas (PCF)
Techniniai duomenys

Matmenys

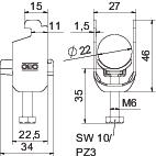
Aukštis 46 mm
Be halogenų taip
CO2₂ pėdsakas (GWP) nuo lopšio iki vartų 0,0857 kg CO2e / 1 Vienetas
Dydis 16-22mm
Ilgis 22,5 mm
Išorės ilgio matmuo 34 mm
Kabelių / vamzdžių skaičius 1
Maks. įtempimo zona D 22 mm
Maks. Sukimo momentas 3 Nm
Matmuo A 22,5 mm
Matmuo B 27 mm
Matmuo C 34 mm
Matmuo G (mm) M6
Matmuo H 46 mm
Matmuo L 35 mm
Matmuo t 1,5 mm
Medžiaga Plienas
Min. įtempimo zona D 16 mm
Montavimo būdas Profiliniai bėgeliai
Papildoma medžiaga Plienas
Papildomas paviršius karštai cinkuotas
Paviršius karštai cinkuotas
Plotis 27 mm
plyšiui 10 mm
Skardos storis 1,5 mm
skirta bėgeliui, kurio maks. įpjovos plotis (su intervalu) 12 mm
skirta bėgeliui, kurio min. įpjovos plotis (su intervalu) 11 mm
skirta maks. vamzdžio skersmeniui 22 mm
skirta min. vamzdžio skersmeniui 16 mm
Sriegis M6
Su plastikine vonele taip
Su skaitikliu ne
Tvirtinimo plokštelės medžiaga Plastikas
Tvirtinimo plokštelės medžiagos kokybė Polipropilenas
Visi tipai

Visi tipai

Tipas Min. įtempimo zona D Maks. įtempimo zona D Maks. Sukimo momentas Art. Nr. Kiekis mažiausias parduodamas kiekis
BS-N1-K-12 FT 8 mm 12 mm 3 Nm 1187202
100 Vienetas
BS-N1-K-16 FT 12 mm 16 mm 3 Nm 1187208
100 Vienetas
BS-N1-K-22 FT 16 mm 22 mm 3 Nm 1187214
100 Vienetas
BS-N1-K-28 FT 22 mm 28 mm 3 Nm 1187220
100 Vienetas
BS-N1-K-34 FT 28 mm 34 mm 3 Nm 1187226
100 Vienetas
BS-N1-K-40 FT 34 mm 40 mm 3 Nm 1187232
100 Vienetas
BS-N1-K-46 FT 40 mm 46 mm 5 Nm 1187238
100 Vienetas
BS-N1-K-52 FT 46 mm 52 mm 5 Nm 1187244
100 Vienetas
BS-N1-K-58 FT 52 mm 58 mm 5 Nm 1187250
50 Vienetas
BS-N1-K-64 FT 58 mm 64 mm 5 Nm 1187256
50 Vienetas
BS-N1-K-70 FT 64 mm 70 mm 5 Nm 1187262
50 Vienetas
Atsisiuntimai

Atsisiųsti

Atsisiųsti

Atsisiųsti

BS-N1-K-22 FT / 1187214
Atsisiųsti