Pastaba: Ši prekė nebegaminama. Gaminamą produktą galite rasti čia: 1186769 / Vienguba apkaba, U formos kojelė, su plastikine prispaudimo plokštele FT

U formos 1-guba apkaba su plastikine prispaudimo plokštele FT

Art. Nr. 1175696 | EAN 4012195073338

Prekės aprašymas
Prekės aprašymas
Tinka visiems C profiliniams bėgeliams, kurių angos plotis – 18 ir 22 mm.

Prispaudimo plokštelė iš polipropileno, be halogenų, spalva – šviesiai pilka RAL 7035.


  • Be halogenų; be chloro, fluoro ir bromo
  • EB atitikties deklaracija pagal EB direktyvas
  • U formos apkaba C formos profiliniam bėgeliui, kurio įpjovos plotis 18–22 mm
  • Įpjovos plotis – 18 mm
  • Įpjovos plotis – 22 mm
  • CO₂ pėdsakas (PCF)
Techniniai duomenys

Techniniai duomenys

Atsparus smūgiams ne
Be halogenų taip
CO2₂ pėdsakas (GWP) nuo lopšio iki vartų 0,2729 kg CO₂e / 1 Vienetas
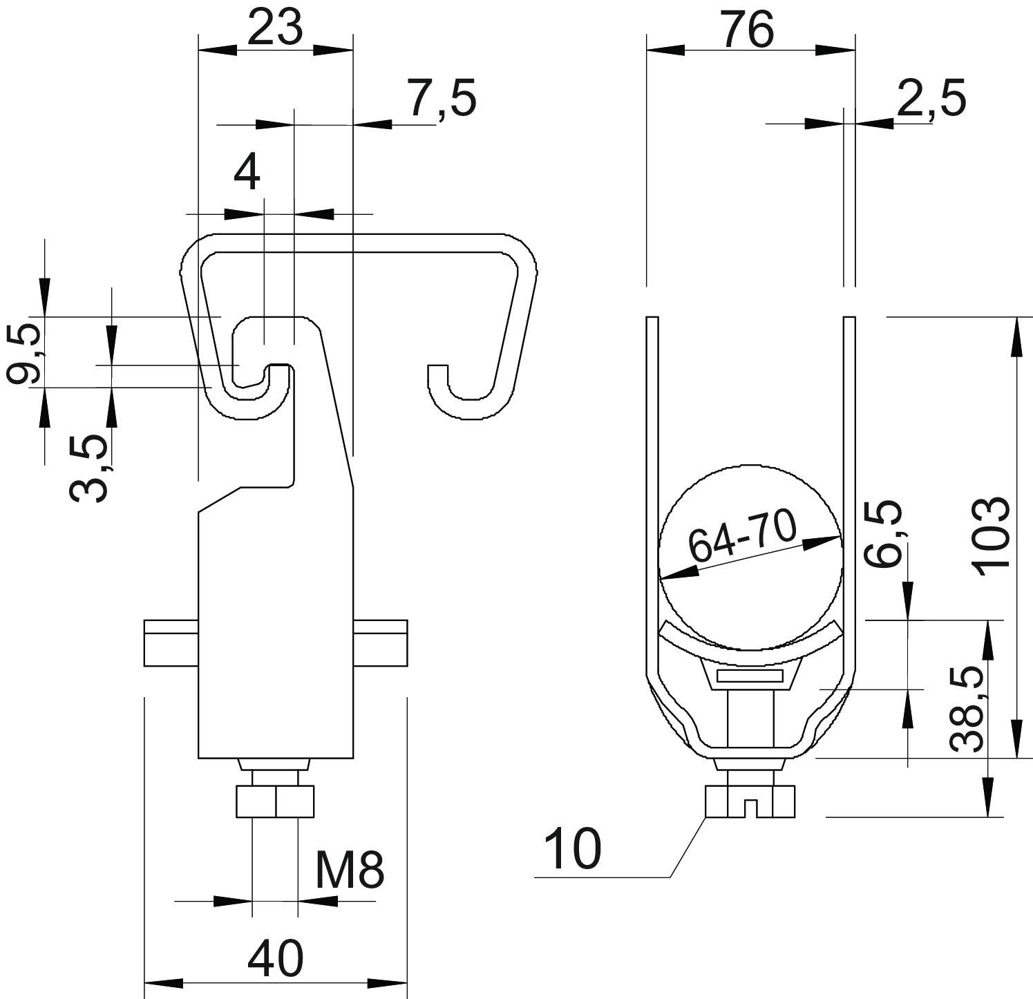
Dydis 64-70mm
Kabelių / vamzdžių skaičius 1
Maks. įtempimo zona D 70 mm
Maks. Sukimo momentas 5 Nm
Matmuo A 23 mm
Matmuo B 76 mm
Matmuo C 40 mm
Matmuo G (mm) M8
Matmuo H 103 mm
Matmuo L 38,5 mm
Matmuo t 2,5 mm
Matmuo x 6,5 mm
Medžiaga Plienas
Min. įtempimo zona D 64 mm
Montavimo būdas Profiliniai bėgeliai
Papildoma medžiaga Plienas
Papildomas paviršius karštai cinkuotas
Paviršius karštai cinkuotas
skirta 1 kabeliui H 103 mm
skirta 1 kabeliui L 38,5
skirta bėgeliui, kurio maks. įpjovos plotis (su intervalu) 22 mm
skirta bėgeliui, kurio min. įpjovos plotis (su intervalu) 18 mm
Su metaline vonele ne
Su plastikine vonele taip
Su skaitikliu ne
Tvirtinimo plokštelės medžiaga Plastikas
Tvirtinimo plokštelės medžiagos kokybė Polipropilenas
Visi tipai

Visi tipai

Tipas Min. įtempimo zona D Maks. įtempimo zona D Maks. Sukimo momentas Art. Nr. Kiekis mažiausias parduodamas kiekis
2056U 22 FT 16 mm 22 mm 3 Nm 1175211
100 Vienetas
2056U 34 FT 28 mm 34 mm 5 Nm 1175343
100 Vienetas
2056U 40 FT 34 mm 40 mm 5 Nm 1175408
100 Vienetas
2056U 52 FT 46 mm 52 mm 5 Nm 1175521
100 Vienetas
2056U 70 FT 64 mm 70 mm 5 Nm 1175696
50 Vienetas
2056U 90 FT 82 mm 90 mm 5 Nm 1175904
25 Vienetas
Atsisiuntimai

Atsisiųsti

ES atitikties deklaracija 2056U 70 FT / 1175696 , 0.12MB , pdf
Atsisiųsti

2056U 70 FT / 1175696
Atsisiųsti