Šviestuvų tvirtinimo lovelis FS

Art. Nr. 6055812 | EAN 4012196943937

75 mm
0,75 mm
Plienas
cinkuotas juostiniu būdu
Prekės aprašymas
Prekės aprašymas
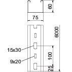
Šviestuvo tvirtinimo lovelis perforuotu dugnu, skirtas šviestuvams tvirtinti ir laidams tiesti.
Magnetinio lauko slopinimas dėl ekranuojančio poveikio, be dangtelio – 20 dB, su dangteliu – 50 dB.

Baltos spalvos variante padengti tik matomi paviršiai.

  • Magnetinio lauko slopinimas dėl ekranuojančio poveikio
  • EB atitikties deklaracija pagal EB direktyvas
  • Kabelių lovelis, šonų aukštis 60 mm
  • Environmental Product Declaration (EPD)
  • CO₂ pėdsakas (PCF)
Techniniai duomenys

Techniniai duomenys

Apkrovos bandomasis tipas pagal IEC 61537 II tipas
Atstumas tarp atramų 1,5 m 0,8 kN/m
Atstumas tarp atramų 2,0 m 0,55 kN/m
Atstumas tarp atramų 2,5 m 0,35 kN/m
Atstumas tarp atramų 3,0 m 0,25 kN/m
Aukštis 60 mm
CO2₂ pėdsakas (GWP) nuo lopšio iki vartų 2,8026 kg CO2e / 1 Metras
Dydis 60x75x6000
Ilgis 6000 mm
Kabelių sistemos sujungiklio rūšis įsuktas
Medžiaga Plienas
Montažinis pagrindo perforavimas taip
Naudingasis skerspjūvis 42 cm²
Nerūdijantis plienas, beicuotas ne
Paviršius cinkuotas juostiniu būdu
Plotis 75 mm
Skardos storis 0,75 mm
Šonų perforavimas taip
Spalva cinko
Sujungimo elemento konstrukcija be sujungimo elemento

Techniniai duomenys

LTR tipo šviestuvo tvirtinimo lovelio apkrovos diagrama

LTR tipo šviestuvo tvirtinimo lovelio apkrovos diagrama
  • Leistinoji kabelių lovelio/kopėčių apkrova kN/m be žmogaus svorio Leistinoji kabelių lovelio/kopėčių apkrova kN/m be žmogaus svorio
  • Atstumas tarp atramų m Atstumas tarp atramų m
  • Išlinkimas mm, esant ledžiamai apkrovai kN/m Išlinkimas mm, esant ledžiamai apkrovai kN/m
  • Apkrovos schema bandymų metu Apkrovos schema bandymų metu
  • Apkrovos charakteristika su pateiktais kabelių lovelių/kopėčių pločiais mm Apkrovos charakteristika su pateiktais kabelių lovelių/kopėčių pločiais mm
  • Išlinkimo kreivė, priklausomai nuo atstumo tarp atramų Išlinkimo kreivė, priklausomai nuo atstumo tarp atramų
Visi tipai

Visi tipai

Tipas Ilgis Plotis Skardos storis Medžiaga Paviršius Art. Nr. Kiekis mažiausias parduodamas kiekis
LTR 3000 FS 3000 mm 75 mm 0,75 mm Plienas cinkuotas juostiniu būdu 6055810
3 m
LTR 6000 FS 6000 mm 75 mm 0,75 mm Plienas cinkuotas juostiniu būdu 6055812
6 m
Priedai

Sistemos priedai

Gaminiai Tipas Art. Nr. Kiekis mažiausias parduodamas kiekis
Dangtis su pasukamu užraktu FS Dangtis su pasukamu užraktu FS DRL 075 FS 6052029
3 m
Tiesaus sujungimo komplektas FS Tiesaus sujungimo komplektas FS RV 607 FS 6068150
10 Vienetas
Šviestuvų tvirtinimo lovelio FS centrinis laikiklis Šviestuvų tvirtinimo lovelio FS centrinis laikiklis MAH LTR FS 6358810
25 Vienetas
Atsisiuntimai

Atsisiųsti

ES atitikties deklaracija LTR 6000 FS / 6055812 , 0.12MB , pdf
Atsisiųsti
Gaminio aplinkosaugos deklaracija (EPD) LTR 6000 FS / 6055812 , 1.48MB , pdf
Atsisiųsti

Atsisiųsti

LTR 6000 FS / 6055812
Atsisiųsti