- Prekės aprašymas
-
Prekės aprašymas• Sandarinimo elementas angoms atspariose vandeniui pagrindo plokštėse / sienose
(pvz., pamatuose su hidroizoliacija)
• Su nerūdijančio plieno įtempimo juostomis
• Patikrinta slėginiu vandeniu iki 5 barų
• Pagal DIN EN 62561-5 (VDE 0185-561-5)
- Techniniai duomenys
-
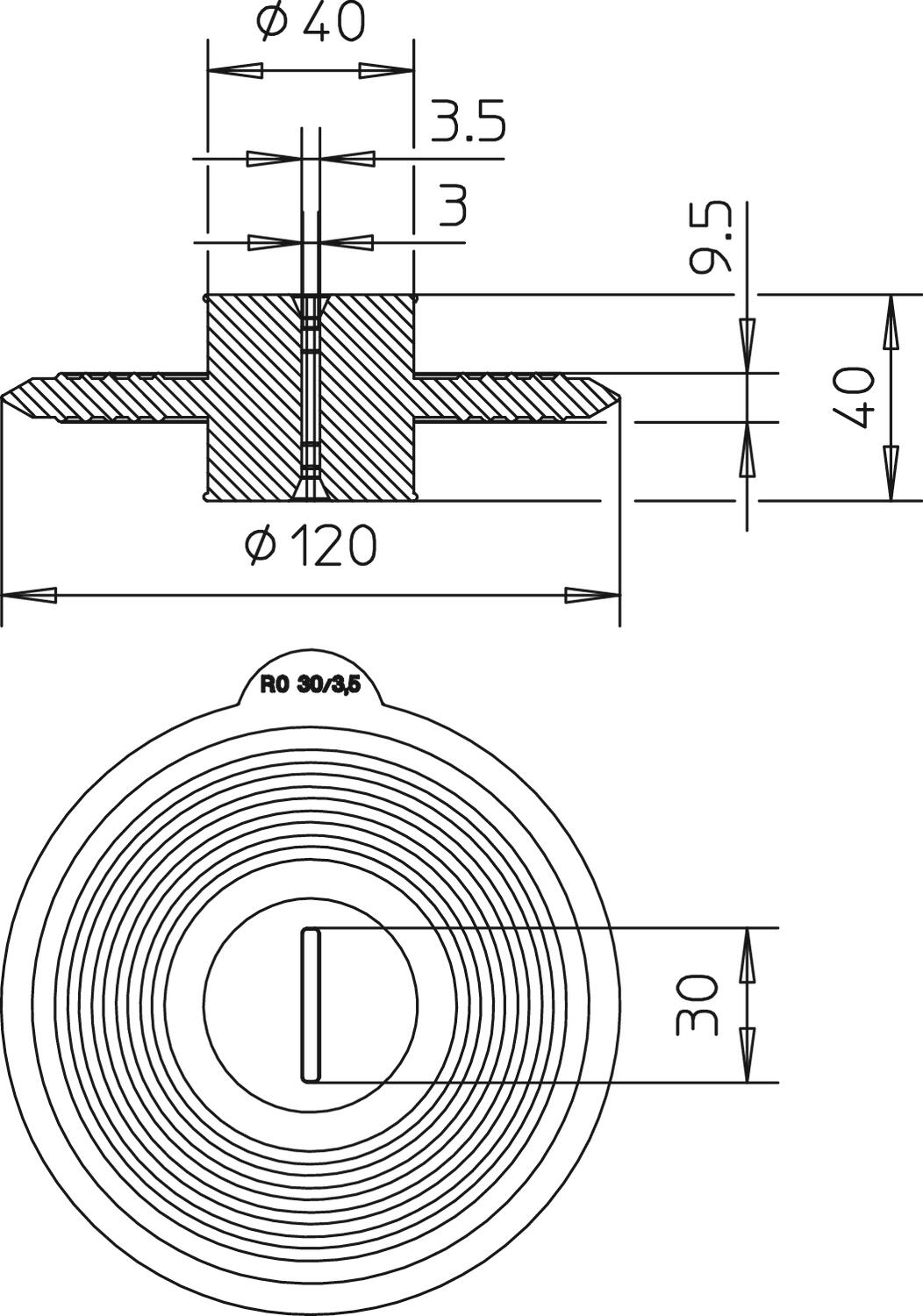
Techniniai duomenys
Dydis 30x3,5 Medžiaga Termoplastinis elastomeras Pritaikymas FL 30x3,5 mm Spalva pastelinė oranžinė; RAL 2003 - Visi tipai
- Atsisiuntimai
-
Duomenų lapas DW FL30x3,5 / 2360043 , 0.20MB , pdfES atitikties deklaracija DW FL30x3,5 / 2360043 , 0.04MB , pdfREACH Atitikties deklaracija DW FL30x3,5 / 2360043 , 0.12MB , pdfRoHS Atitikties deklaracija DW FL30x3,5 / 2360043 , 0.12MB , pdfKaip tinkamai parinkti Pagalba pasirenkant pamatą ir žiedinį įžemiklį pagal DIN 18014 , 0.19MB , pdfMontavimo instrukcija Montavimo instrukcija tarpiklis , 2.00MB , pdf
Lietuva - Lietuvių Kalba