- Prekės aprašymas
 - 
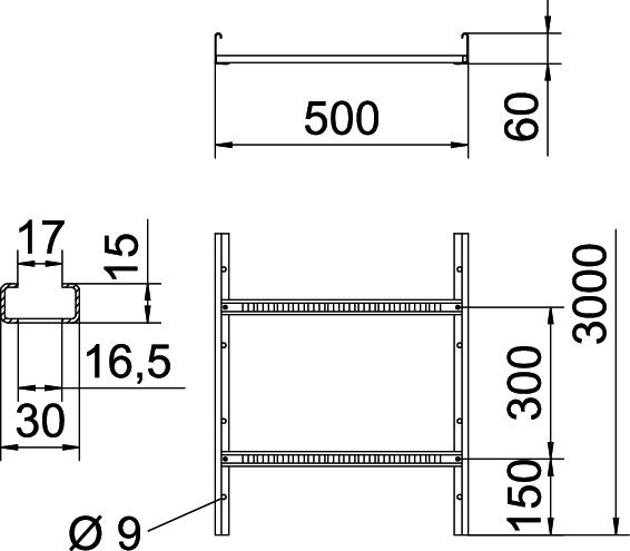
            Prekės aprašymasKabelių kopėčios perforuota išilgine sija, kurių šonų aukštis yra 60 mm, su prikniedytais, į viršų atvirais C profilio skersiniais (VS konstrukcija).
Magnetinio lauko slopinimas dėl ekranuojančio poveikio, be dangtelio – 10 dB, su dangteliu – 15 dB.
Galima užsisakyti ir kitų pločių.
Kabelių kopėčios iš gamyklos tiekiamos sulankstytos.
Kabelius galima montuoti su tinkamu apkabos gnybtu, tipas 2056.
200–400 mm pločio kabelinės kopėčios taip pat gali būti montuojamos vertikaliai kaip kopėčios įrenginiuose išlaikant elektrinį funkcionalumą pagal DIN 4102 standarto 12 dalį. Kabelius galima montuoti su funkcionalumui išlaikyti skirtu apkabos gnybtu, tipas 2056 M.
 - 
                
 - Techniniai duomenys
 - 
        
Techniniai duomenys
Atramos storis 1,5 mm Atstumas tarp atramų 1,5 m 3,1 kN/m Atstumas tarp atramų 2,0 m 2,25 kN/m Atstumas tarp atramų 2,5 m 1,5 kN/m Atstumas tarp atramų 3,0 m 1,1 kN/m Atstumas tarp atramų 3,5 m 0,75 kN/m Atstumas tarp atramų 4,0 m 0,45 kN/m Atstumas tarp atramų 4,5 m 0,3 kN/m Atstumas tarp atramų 5,0 m 0,15 kN/m Atstumas tarp skersinių 300 mm Aukštis 60 mm CO2₂ pėdsakas (GWP) nuo lopšio iki vartų 7,9526 kg CO2e / 1 Metras Dydis 60x500x3000 Ilgis 3000 mm Matmuo B 500 mm Medžiaga Plienas Naudingasis skerspjūvis 24800 mm² Naudingasis skerspjūvis 248 cm² Nerūdijantis plienas, beicuotas ne Opprettholdelse av funksjon ne Paviršius karštai cinkuotas Plotis 500 mm Skersinio griovelio matmuo 16,50 Skersinio tvirtinimas užkniedytas Skersinių konstrukcija Profilis, perforuotas Šoninės užmovos konstrukcija plokščias profilis Šonų perforavimas taip Spalva cinko Sutvirtinta konstrukcija ne Techniniai duomenys
LG 60 VS tipo kabelių kopėčių apkrovos diagrama
                                    - 
                                                                                                    
                                                    Leistinoji kabelių lovelio/kopėčių apkrova kN/m be žmogaus svorio
                                                                                             - 
                                                                                                    
                                                    Atstumas tarp atramų m
                                                                                             - 
                                                                                                    
                                                    Išlinkimas mm, esant ledžiamai apkrovai kN/m
                                                                                             - 
                                                                                                    
                                                    Apkrovos schema bandymų metu
                                                                                             - 
                                                                                                    
                                                    Apkrovos charakteristika su pateiktais kabelių lovelių/kopėčių pločiais mm
                                                                                             - 
                                                                                                    
                                                    Išlinkimo kreivė, priklausomai nuo atstumo tarp atramų
                                                                                             
 - 
                                                                                                    
 - Visi tipai
 - 
        
Visi tipai
 - Atsisiuntimai
 - 
        Duomenų lapas LG 650 VS 3 FT / 6208574 , 0.26MB , pdfKatalogas Cable support systems , 54.52MB , pdfES atitikties deklaracija LG 650 VS 3 FT / 6208574 , 0.12MB , pdfUK Atitikties Deklaracija LG 650 VS 3 FT / 6208574 , 0.09MB , pdfREACH Atitikties deklaracija LG 650 VS 3 FT / 6208574 , 0.12MB , pdfRoHS Atitikties deklaracija LG 650 VS 3 FT / 6208574 , 0.12MB , pdfGaminio aplinkosaugos deklaracija (EPD) LG 650 VS 3 FT / 6208574 , 1.48MB , pdfMontavimo instrukcija Kabelinių kopėčių sistemų montavimo instrukcija , 6.45MB , pdfMontavimo instrukcija General information on the mounting , 2.65MB , pdf
 
								
	
		
			
			
				
					Lietuva - Lietuvių Kalba
				
			
			
	
			
		
	
							
							
            
            
            
                    
                    
                
                
                
                
                
                
                            Dangtis su pasukamu užraktu FT
                        
                            Fiksatorius pertvarai tvirtinti A2
                        
                            Pertvara 45 DD
                        
                            Tiesinė jungtis FT
                        
                            Apsauginis dangtelis 60
                        
                            Daugiafunkcė jungtis FT